MĚŘENÍ NF SIGNÁLŮ A TEPLOTY S PROCESOREM
16F84A/04
Vágner Vlastimil
Přípravek vznikl po odzkoušení displeje používaného jako zobrazovací jednotka u kas, z potřeby orientačního měření jak frekvence (NF signálu) tak měření teploty bez použití počítače PC, při oživování přípravků tak při opravách. Výrobek je navržen tak že výměnou procesoru s programem pro měření teploty za procesor s programem na měření frekvence a naopak je možné měření těchto hodnot. Měření teploty je dáno rozsahem čidla v tomto případě je použito čidlo SMT160-30 měření teploty se dá využít například při zjišťování teploty chladičů výkonových prvků tak pro měření například teploty prostoru, venkovní teploty a podobně. Rozsah měřené frekvence je maximálně 65535 Hz, přípravek může sloužit pro vlastní inspiraci a v žádném případě si neklade za cíl konkurovat profesionálním výrobkům.
POPIS PŘÍPRAVKU
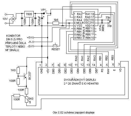
Přípravek je napájen stabilizovaným napětím
5V toto je stabilizováno integrovaným obvodem 7805, napájení stabilizátoru je
přes diodový můstek vstupním napětím při volbě střídavého zdroje 10V AC.Při
napájení stejnosměrným napětím je vstupní napětí na diodový můstek 9VDC, zdroje
musí být schopny v případě použití dvouřádkového znakového displeje
z kasy dodat proud 600mA, použitím diodového můstku je zaručeno že při
napájení DC napětím nedojde k přepólování a zničení převodníku. Stabilizované
napětí 5V již napájí procesor 16F84A/04 a při použití dvouřádkového znakového
displeje z kasy pokud tento má měnič pro podsvícení displeje napájí tento
měnič a zároveň při měření teploty i čidlo SMT160-30. Napětí 5VDC je zakončeno
i na konektoru DIN5ZJ pro případné napájení externích převodníků v tomto
případě je možné stabilizátor 7805 nahradit typem 78S05 což je stabilizátor pro
proud 2A max. Přípravek je osazen vypínačem tento vypíná pouze stabilizované
napětí 5V dále je přípravek osazen resetovacím tlačítkem pro resetování procesoru
při zapnutí nebo při měření frekvence pokud dojde k překročení rozsahu
65535Hz. Pokud dojde k tomuto překročení rozsahu je toto překročení
zobrazeno na displeji, poté je nutné provést reset nebo vypnutí a zapnutí
přípravku. Schéma zapojení obou variant je na obrázcích č.01,č.02 a na obrázku
č.03 je schéma možného zapojení přípravků pro měření frekvence a teploty. MAXIMÁLNÍ VSTUPNÍ
NAPĚTÍ PŘI VŠECH PROVÁDĚNÝCH MĚŘENÍCH VČETNĚ MĚŘENÍ FREKVENCE NESMÍ BÝT NA
VSTUPU PROCESORU VYŠŠÍ JAK 5V.
ÚPRAVA DISPLEJE Z KASY
Úprava displeje bude individuální dle typu zde popsaná úprava displeje spočívá ve vyletování tlumivky, kondenzátoru a rezistoru který v původním zapojení napájecí napětí (-) připojoval na vstup displeje č.3. Dále úprava spočívala v odříznutí nevyužitého DPS s původními součástkami tak že zůstal pouze DPS kde je osazen měnič pro podsvícení displeje tento byl osazen vyletovanou tlumivkou která je připojena na +5V. Před jakoukoliv úpravou je vhodné si zakreslit původní zapojení tedy část důležitou pro úpravu,číslování displeje na datovém konektoru je vhodné si označit,číslování vývodů na konektoru bylo shodné s číslováním vývodů tak jak je i u dvouřádkových znakových displejů a je dostupné v každém datasheetu. Úprava displeje je patrná z fotografií při použití zakoupeného displeje se žádná úprava neprovádí a připojení takového displeje je na obrázku č.02.



Pohled na nově osazené DPS v původní krabici displeje

Deska osazeného stabilizátoru vpravo DPS měniče pro podsvícení displeje

Deska s procesorem PIC vlevo uprostřed DPS se stabilizátorem

Osazený displej do krabice vlevo datový konektor od desky s procesorem

Sestavený přípravek zde měření teploty

Sestavený přípravek zde měření frekvence bez signálu po zapnutí napájení

Sestavený přípravek zde měření frekvence signál odebíraný z DMM
Použité prameny
Radio Plus KTE 6/2001 až 2004
Katalogové listy k čidlu SMT160-30
Katalogové listy k displeji s IO HD44780
Katalogové listy k procesoru 16F84A/04
Poděkování Panu Milanu Hronovi za články k programování procesoru PIC 16F84 v uvedených časopisech.
Hodně zábavy při vlastní tvorbě Vágner Vlastimil